159彩票网

欢迎光临 [ 无锡市贝润风机制造有限公司 ] 官方网站!

三叶罗茨风机

三叶罗茨鼓风机
产品特点
       1、强制送风即升压变化时,流量变化较小,用户可根据需要,在额定升压范围内调节出气压力。
       2、气缸内不需润滑,故输送介质不含油。
       3、三叶风机气流脉冲小,密封好,所以噪声低,泄露少,效率高,运转平稳。
主要用途
       应用于污水处理、海水养殖、电力、石油、化工、冶金、水泥、纺织、食品等气力输送行业。
使用要求
       1、输送介质的进气温度不得超过40℃。
       2、介质中微粒含量不得超过100mg/m3,杂质大尺寸不得超过叶轮小间隙的一半。
       3、使用升压不得超过鼓风机铭牌所标定升压值。
型号说明及规格性能
       1、产品型号说明
       2、规格及性能
       输送介质:空气及其它中性气体
       进气温度:20℃
       进气流量:1 .6-66.8m3/min
       进气压力:101 .3kPa
       相对湿度:50%
       风机升压:9.8-98kPa
       当输送介质或使用条件与上述标准状态有变化时,请订货时说明。



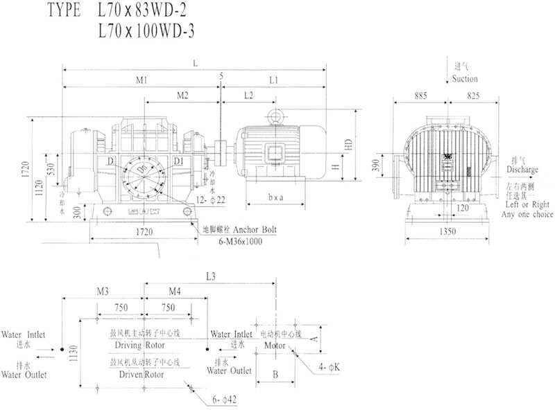
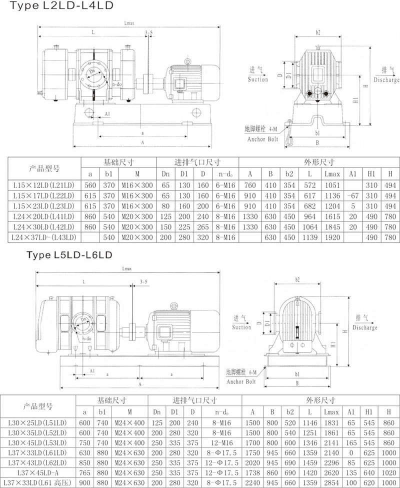
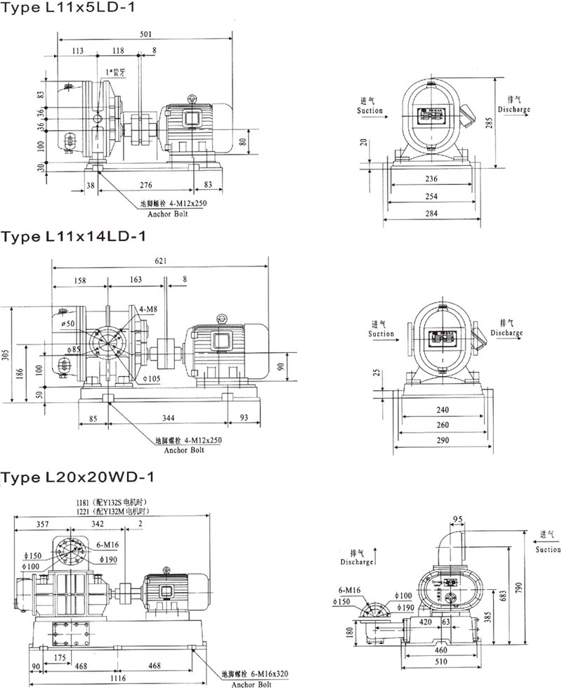
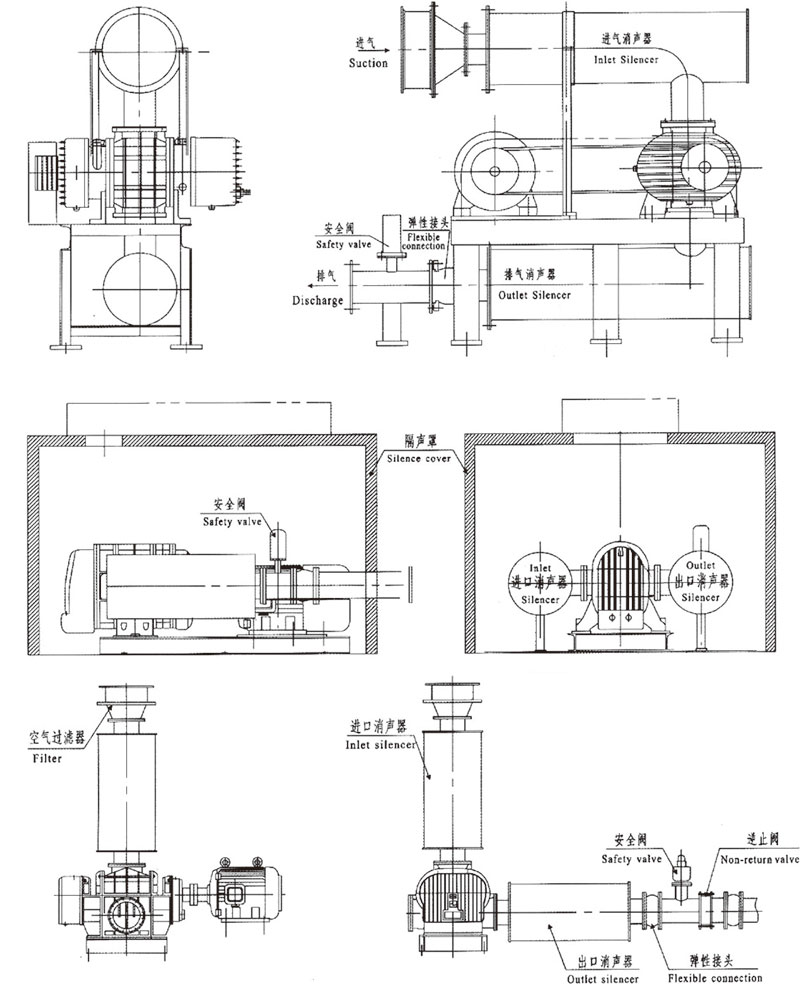
外形安装尺寸